High Quality Durable Equipment 10ton 15ton Industrial Electric Tow Tractor with CE

After-sales Service: Long Term
Warranty: 1year
Cab Location: Adjustable

Product Description

iBasic Information
Model NO.
EPQ-A/EPQ-B/EPQ
Type
Electric Tow Tractor
Power
AC Motor
Load Capacity
18T - 42T
Fuel
Electric
Battery Type
Lithium / Lead Acid
Voltage
80V / 600Ah
Condition
New
Industrial Electric Tow Tractor
Product Specifications
Standing Type Series EPQ20A EPQ30A
Features Rated Tow Weight kg 2000 3000
Performance Driving Speed (Unload/Load) km/h 6.7 / 4 6.7 / 4
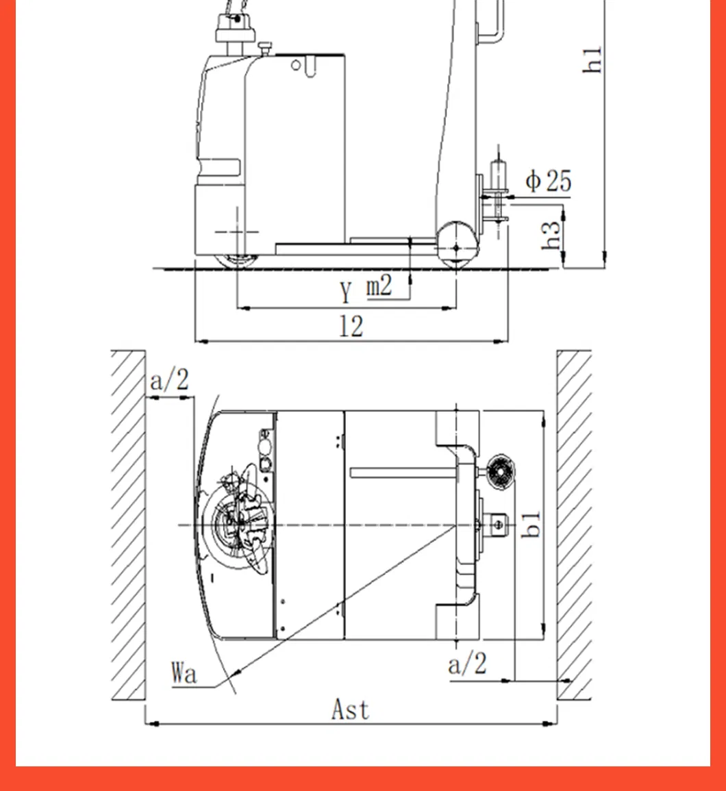
Dimensions Turning Radius mm 1160 1160
Battery Voltage/Capacity V/Ah 24V 210Ah 24V 210Ah
Tow Tractor Detail 1
Tow Tractor Detail 2
2-3 Ton Sitting Type Series EPQ20B EPQ30B
Features Rated Drawbar Traction N 500 750
Performance Max Climbing (Unload/Load) % 10 / 8 8 / 6
Dimensions Overall Length mm 1710 1710
Industrial Towing Equipment
Electric Tractor Performance
Heavy Duty Towing
Key Advantages
Advantage 1
Advantage 2
High Capacity Series (20-30 Ton)
Model Operating Type Max Tow Weight Max Speed Battery
EPQ200 Sitting-type 20,000 kg 25 km/h Lithium 80V/600Ah
EPQ250 Sitting-type 25,000 kg 25 km/h Lithium 80V/600Ah
EPQ300 Sitting-type 30,000 kg 25 km/h Lithium 80V/600Ah
Internal Components
Chassis Detail
Operational View
Safety Features
Ergonomic Cabin
Towing Interface
?Frequently Asked Questions
Q1: How is the quality of your electric tow tractors?
We focus on producing high-quality products with thick materials and durable core components. Each model has undergone extensive market validation with a low failure rate.
Q2: Do you offer competitive pricing advantages?
Yes, we maintain long-term partnerships with raw material suppliers and utilize skilled labor to ensure high production efficiency, allowing us to offer superior quality at a better price point.
Q3: How do I ensure the product meets my specific usage conditions?
Our professional team will communicate with you in detail about your operational needs to recommend the most suitable product for your specific environment.
Q4: Are customized services available for these tractors?
We provide various customization options, including color, logo, body size, and specific functional modifications to meet your business requirements.
Q5: What is the typical production lead time?
Production generally takes 10 to 30 days. Standard models in stock can be shipped immediately, while customized or complex orders may require more time.
Q6: What kind of after-sales support do you provide?
We provide comprehensive user manuals, assembly videos, and maintenance guides. Our team is available to support you with operation and technical guidance.

Related Products