1 / 5
The EFL201 is a high-performance 4-wheel lithium counterbalance forklift truck with a load capacity of 2000kg. This model combines a robust structure with a powerful 80V lithium battery system, delivering high availability for intensive daily operations.
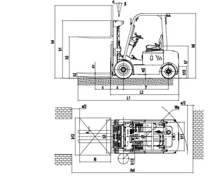
| No. | Parameter | Unit | Value |
|---|---|---|---|
| 1.2 | Model | - | EFL201 |
| 1.3 | Drive | - | Electric |
| 1.5 | Load Capacity | Q (kg) | 2000 |
| 1.6 | Load Center Distance | c (mm) | 500 |
| 2.1 | Service Weight | kg | 2940 |
| 4.4 | Lift Height | h3 (mm) | 3000 |
| 4.21 | Overall Width | b1/b2 (mm) | 1080 |
| 4.35 | Turning Radius | Wa (mm) | 2078 |
| 5.1 | Travel Speed (Laden/Unladen) | km/h | 11/14 |
| 6.4 | Battery Voltage/Nominal Capacity | V/Ah | 80/150 |
Reliable all-rounder for indoor and outdoor environments. Suitable for rental businesses due to maintenance-free lithium battery and robust chassis.






